

|
Electrical Spec. |
Options | ||
|
Circuit |
3-9 |
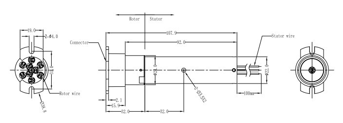
Flange for set up |
|
|
Rating voltage |
380VAC |
Cable exit for terminal is optional |
|
|
Rating current |
2A |
|
|
|
Insulation resistance |
1000MΩ@500VDC |
|
|
|
Dielectric strength |
600VDC@50Hz |
|
|
|
Electrical noise |
10mΩ@6VDC,50mA, 5Rpm |
|
|
|
Mechanical Spec |
Environment |
||
|
Speed |
300Rpm |
Working temperature |
-40℃~+80℃ |
|
Torque |
40N.cm |
Mechanical vibration |
MIL-SID-810E |
|
Seal class |
IP54 |
Humidity |
60% |
|
Contact material |
Precious Metal |
Materials |
Lead Free,RoHS compliant |
|
Lead Wire |
Teflon wire |
CE Certified |
YES |
|
Life |
30million revolutions |
|
|

?Fiber brush technology provides maintenace free operation(no cleaning or lubrication required
?Moudel design ; Meet the most of requirement
?More install method for option
?Can combine signal and power in same slip ring
|
|
|
¤ Typical Application ?Medical equipment Operating Table with shadowless lamp
|

