

|
Electrical Spec |
Channe 1 |
Channe 2 |
|||||
|
Frequency range(GHz) |
0-1.4GHz | 1.4-18GHz | 0-1.4GHz | 1.4-2.0GHz | 2.0-3.0GHz | 3.0-4.0GHz | |
|
Peak Power(KW) |
3.0KW |
3.0KW |
3.0KW |
3.0KW |
3.0KW |
3.0KW |
|
|
Average Power(W) |
200 |
200 |
200 |
200 |
200 |
200 |
|
|
VSWR bei/at 40GHz |
VSWR≤1.2 |
VSWR≤1.8 |
VSWR≤1.2 |
VSWR≤1.4 |
VSWR≤1.8 |
VSWR≤2.5 |
|
|
VSWR-WOW |
≤0.05 |
≤0.05 |
≤0.1 |
≤0.1 |
≤0. 1 |
≤0.4 |
|
|
insertion loss |
≤0.1dB |
≤0.7dB |
≤0.5dB |
≤0.5dB |
≤1.5dB |
≤1.5dB |
|
|
insertion loss-WOW(db) |
≤0.05dB |
≤0.05dB |
≤0.1dB |
≤0.1dB |
≤0.3dB |
≤0.3dB |
|
|
insertion loss-WOW(db) |
≥50dB |
≥50dB |
≥50dB |
≥50dB |
≥50dB |
≥50dB |
|
|
phase-WOW |
≤1 |
≤1 |
≤2 |
≤2 |
≤2 |
≤2 |
|
|
Connection |
SMA socket |
SMA socket |
SMA socket |
SMA socket |
SMA socket |
SMA socket |
|

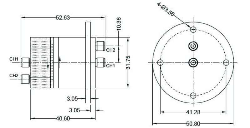
Compact miniature design, small size fit for harsh space
can transmit HD video signal and RF signal
Combine slip ring + RF Joint
the transmiting frequency up to 18G
Radar , Mobile antena, Satellite
